Nevíte-li si rady s jakýmkoliv matematickým problémem, toto místo je pro vás jako dělané.
Nástěnka
❗22. 8. 2021 (L) Přecházíme zpět na doménu forum.matweb.cz!
❗04.11.2016 (Jel.) Čtete, prosím, před vložení dotazu, děkuji!
❗23.10.2013 (Jel.) Zkuste před zadáním dotazu použít některý z online-nástrojů, konzultovat použití můžete v sekci CAS.
Nejste přihlášen(a). Přihlásit
↑ rehy:
nevidim dovod, preco by to nemalo fungovat tak ako si napisal. posledny priklad tu je velmi podobny tvojmu
http://www.elektrotechnikaapc.tym.sk/ob … uracia.pdf
Offline
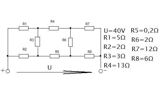
Dobrý den, mohl bych prosím požádat o celkové řešení? Odkaz již nefunguje. Já si spočítal celkový odpor, a proud. Ale pak již nedokáži zpátky přepočítat proudy a napětí na jednotlivé odpory. Děkuji.
Offline
michaljanad napsal(a):
Dobrý den, mohl bych prosím požádat o celkové řešení? Odkaz již nefunguje. Já si spočítal celkový odpor, a proud. Ale pak již nedokáži zpátky přepočítat proudy a napětí na jednotlivé odpory. Děkuji.
Dobrý den, doporučuji postupovat zpětně pomocí Kirchhoffových zákonů a uzlových napětí, případně řešit obvod po krocích.
Offline

[mathjax]R_{12}=\frac{R_{1}R_{2}}{R_{1}+R_{2}+R_{3}}=1[/mathjax]
[mathjax]R_{13}=\frac{R_{1}R_{3}}{R_{1}+R_{2}+R_{3}}=1,5[/mathjax]
[mathjax]R_{23}=\frac{R_{2}R_{3}}{R_{1}+R_{2}+R_{3}}=0,6[/mathjax]
[mathjax]R_{67}=\frac{R_{6}R_{7}}{R_{6}+R_{7}+R_{8}}=1,2[/mathjax]
[mathjax]R_{78}=\frac{R_{7}R_{8}}{R_{6}+R_{7}+R_{8}}=3,6[/mathjax]
[mathjax]R_{68}=\frac{R_{6}R_{8}}{R_{6}+R_{7}+R_{8}}=0,6[/mathjax]
[mathjax]R_{A}=R_{13}+R_{4}+R_{67}=15,7[/mathjax]
[mathjax]R_{B}=R_{23}+R_{5}+R_{68}=1,4[/mathjax]
[mathjax]R_{AB}=\frac{R_{A}R_{B}}{R_{A}+R_{B}}=1,29[/mathjax]
[mathjax]R=R_{12}+R_{AB}+R_{78}=5,89[/mathjax]
[mathjax]I=\frac{U}{R}=6,79[/mathjax]
[mathjax]U_{12}=IR_{12}=6,79[/mathjax]
[mathjax]U_{78}=IR_{78}=24,44[/mathjax]
[mathjax]U_{C}=U-U_{12}-U_{78}=8,77[/mathjax]
[mathjax]I_{4}=\frac{U_{C}}{R_{13}+R_{4}+R_{67}}=0,56[/mathjax]
[mathjax]I_{5}=\frac{U_{C}}{R_{23}+R_{5}+R_{68}}=6,26[/mathjax]
[mathjax]U_{5}=I_{5}R_{5}=1,25[/mathjax]
[mathjax]U_{4}=I_{4}R_{4}=7,28[/mathjax]
[mathjax]U_{13}=I_{4}R_{13}=0,84[/mathjax]
[mathjax]U_{1}=U_{12}+U_{13}=7,63[/mathjax]
[mathjax]U_{7}=U-U_{1}-U_{4}=25,09[/mathjax]
[mathjax]I_{1}=\frac{U_{1}}{R_{1}}=1,53[/mathjax]
[mathjax]I_{7}=\frac{U_{7}}{R_{7}}=2,09[/mathjax]
[mathjax]U_{23}=R_{23}I_{5}=3,76[/mathjax]
[mathjax]U_{2}=U_{12}+U_{23}=10,55[/mathjax]
[mathjax]I_{2}=\frac{U_{2}}{R_{2}}=5,28[/mathjax]
[mathjax]U_{8}=U-U_{2}-U_{5}=28,2[/mathjax]
[mathjax]I_{8}=\frac{U_{8}}{R_{8}}=4,7[/mathjax]
[mathjax]U_{3}: U-U_{1}=32,37[/mathjax]
[mathjax]U-U_{2}=29,45[/mathjax]
[mathjax]I_{3}=\frac{32,37-29,45}{R_{3}}=0,97[/mathjax]
[mathjax]U_{6}: U-U_{7}=14,91
[mj]U-U_{8}=11,8
[mj]I_{6}=\frac{14,91-11,8}{R_{6}}=1,56
[/mathjax]
[/mj]
[/mj]
Offline